Электромеханическая головка ЭМЗ 7921-0003
59 280 руб.
с НДС - на 30.12.2025 г.
| Модель: | ![]() |
ЭМЗ 7921-0003 |
| Производитель: | Белоруссия |
|
| Изготовитель: | ![]() |
Белоруссия |
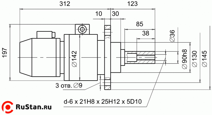
Головка электромеханическая модели 7921-0003 предназначена для механизированного зажима инструмента в шпинделях фрезерных станков, а также может быть применена в качестве привода с односторонним вращением выходного вала, для получения малого числа оборотов исполнительного механизма при максимальном крутящем моменте.
В конструкции головки после отключения электродвигателя предусмотрено автоматическое разъединение редуктора и электродвигателя с выходным ведомым валом, причем ведомый вал головки после отключения электродвигателя может вращаться совместно с исполнительным механизмом с частотой вращения до 3000 мин-1. Направление вращения выходного ведомого вала для зажима инструмента — одностороннее (левое). По согласованию с заказчиком возможно изготовление головок с правосторонним вращением ведомого вала, а также с меньшим крутящим моментом (min 15 Н×м).
Технические характеристики головки электромеханической 7921-0003 | |
|---|---|
| Характеристика | Значение |
| Максимальный крутящий момент, Н*м | 60 |
| Частота вращения выходного вала, мин-1 | 56±5 |
| Направление вращения выходного вала | левое |
| Время зажима, сек | 5 |
| Род тока питающей сети | переменный трехфазный |
| Частота тока, Гц | 50 |
| Напряжение, В | 380 |
| Мощность электродвигателя, кВт | 0,25 |
| Частота вращения электродвигателя, мин-1 | 3000 |
| Контроль крутящего момента | микровыключатель |
| Масса ЭМЗ 7921-0003 головки, не более, кг | 16,6 |
Комментарии и вопросы:
Комментариев пока нет, но ваш может быть первым.Разметить комментарий или вопрос




